Non hai articoli nel carrello.
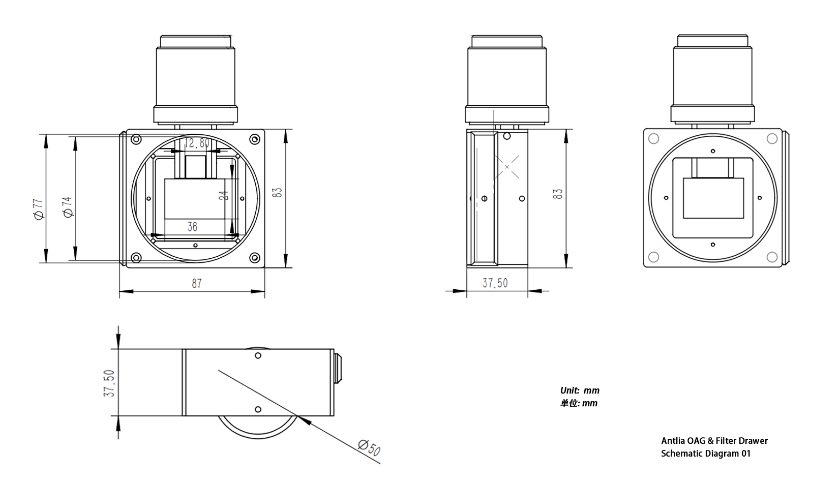
La Guida fuori asse gigante Antlia è un innovativo accessorio che integra un cassetto porta filtri in una guida fuori asse (OAG). Permette di utilizzare la camera di guida al fuoco primario del telescopio, evitando cosi' pesanti telescopi guida ed avendo inoltre un'autoguida molto più precisa!
La guida fuori usa un prisma interno per intercettare una piccola parte della luce che arriva dal telescopio e la riflette su una camera di guida, visto che camera di guida e camera di ripresa utilizzano la stessa focale del telescopio principale la guida sarà più precisa e non soffrirà di flessioni tipicche di un telescopio esterno.
Caratteristiche della Guida fuori asse gigante con porta filtro

Per trovare il fuoco sulla camera di guida bisogna tenere conto della distanza della camera di ripresa dal prisma, la stessa distanza si avrà dal prisma alla camera di guida.
Se la camera di ripresa è troppo vicina alla OAG, il fuoco della camera di guida potrebbe essere troppo interno

| Codice Prodotto(SKU) | antlia_oag |
|---|---|
| Produttore | Antlia filters |
| Composizione | OAG, cassettino M48 e sette adattatori, valigetta |
| Garanzia | 2 anni |
| Disponibilità | In pronta consegna |